ClimaSys CC

NSYCCOTHO


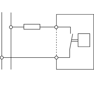
TERMOSTATO MECANICO FAIXA DE AJUSTE 0-60C. COM 1 CONTATO NA

Catálogo do Produto

Entre em Contato